常见的三相PFC电路一般采用的是三开关六管结构,如下图的两电平三相PFC电路:
图1 两电平三相PFC电路图1这种电路输入电流THD小,功率因数为1,输出直流电压低,效率高(无桥PFC),能量可双向传递;缺点是开关管耐压要求高、控制复杂,每个桥臂上下管有直通风险,对功率驱动可靠性要求高。
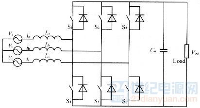
另一种三电平三相PFC电路如下:
图2 三相维也纳PFC图2中三个开关s1、s2、s3要求能双向导通,双向导通一般通过两个管子反向串联或一个管子加整流桥实现,所以实际上也需要六个管子。
从成本或者控制的角度考虑希望开关管越少越好,所以想探讨一下双开关三相PFC的特性。
三相电路平衡电流之和为零,所以只要控制其中两相电流则第三相电流也是确定的,双开关三相PFC电路就是以此为中心进行设计的。
观察下面的波形依据电流和为零的控制思路实现的仿真如下:三相双开关PFC电路可以将电感移置整流桥后省掉一个电感而特性保持不变,见下图还有一种采用自耦变压器将三相变两相幅值相同相位差90度的PFC电路,见下图:Scott变压器很有意思;记得的电路有点类似,
新三相PFC用二相实现.pdf(220.59 KB, 下载次数: 25)2021-5-12 22:42 上传这种三相变两相貌似在铁路牵引电中用的比较多。
这种在三相不平衡,短路或者断路一相还能工作吗?三相不平衡也能工作,见下面的等效变换图
Scott变压器等效变换.jpg (35.28 KB, 下载次数: 3)下载附件2021-5-15 08:26 上传PF和THD能到多少?
双开关THD.jpg (59.23 KB, 下载次数: 2)下载附件2021-5-13 09:44 上传图6两电感三相双开关PFC电路的PF≈0.955,THD≈0.27不知道这个参数工程上能不能接受?与维也纳控制有多大差距?
| 大功率电感 |
